产品详情 图片集锦 视频集锦
工作原理
所谓真空干燥,就是将干燥物料处于真空条件下,进行加热干燥。如果利用真空泵进行抽气抽湿,则加快了干燥速度。
注:如采用冷凝器.物料中的溶剂可通过冷凝器加以回收,如溶剂为水,可不用冷凝器,节省能源投资。
性能特点
◎真空下物料溶液的沸点降低.使蒸发器的传热推动力增大.因此对一定的传热量可以节省蒸发器的传热面积。
◎蒸发操作的热源可采用低压蒸汽或废热蒸汽。
◎蒸发器热损失少。
◎在干燥前可进行消毒处理,干燥过程中无任何不纯物污入,符合GMP要求。
◎属于静态式真空干燥器.故干燥物料的形体不会损坏。
适应物料
适用于在高温下易分解,聚合和变质的热敏性物料的低温干燥;被广泛地采用在制药、化工、食品、电子等行业。
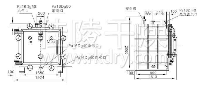
结构示意图

技术规格
| 名称/规格 | FZG-10 | FZG-15 | FZG-20 |
| 干燥箱内尺寸 | 1500×1060×1220 | 1500×1400×1220 | 1500×1800×1220 |
| 干燥箱外尺寸 | 1513×1924×1720 | 1513×1924×2060 | 1513×1924×2500 |
| 烘架层数 | 5 | 8 | 12 |
| 层间距离 | 122 | 122 | 122 |
| 烘盘尺寸 | 460×640×45 | 460×640×45 | 460×640×45 |
| 烘盘数 | 20 | 32 | 48 |
| 烘架管内使压 | ≤0.784 | ≤0.784 | ≤0.784 |
| 烘架使用温度 | 35-150 | 35-150 | 35-150 |
| 箱内空载真空度 | -0.09~0.096 | ||
| 在-0.1MPa,加热温度110oC时,水的气化率 | 7.2 | 7.2 | 7.2 |
| 用冷凝器时,真空泵型号,功率 | 2X-70A / 5.5KW | 2X-70A / 5.5KW | 2X-90A / 2KW |
| 不用冷凝器时,真空泵型号,功率 | SK-3 / 5.5KW | SK-6 / 11KW | SK-6 / 11KW |
| 干燥箱重量 | 1400 | 2100 | 3200 |
注:水环式真空泵与机械增压联用,以提高真空度。
订货须知
◎订货时请根据干燥物料的物性初含水率终含水率、温度真空度干燥量干燥时间等因素选择合适的真空干燥器。同一种型号的真空干燥机中分别有蒸气热水导热油 电加热四种加热方式。例如为了增加干燥量可适当增加烘架层数请及时向我厂提出。
◎在使用说明书上述的真空干燥系统中的附件我厂均可为用户提供和安装.请在订货时说明。
◎本司可对用户提出的真空干燥系统中的特殊要求提供设计制造与安装。
◎本司设备对用户实行质量三保.一切配件,长期提供、敬请用户放心。
暂无相关的视频...
附件下载
上一条:SZG系列双锥回转真空干燥机
下一条:YZG圆形静态真空干燥机
相关文章
- 2020-10-27 > 脱水蔬菜带式干燥机设备生产厂家
- 2019-10-19 > 热风循环烘箱如何做才能更加节能?
- 2016-08-06 > 浅析八种干燥设备在化工制药行业中的应用
- 2016-08-06 > 喷雾干燥脱硫技术在保护生态环境中的应用
- 2016-08-06 > 中药浸膏专用和高速喷雾干燥机出粉率比较
- 2016-08-06 > 带式干燥机在使用过程中常见故障及维护保养
- 2016-08-06 > 带式干燥机的应用范围及选型
- 2016-08-06 > 碳酸钙行业用高效混合制粒机发展现状与特点
- 2016-08-06 > 安全使用热风循环烘箱及四个注意要点
- 2016-08-06 > 水稻烘干机市场也将出现新趋势
相关产品



